ČeskyCZ | SlovenskySK | EnglishEN | DeutschDE
Váš košík
0 PLN
PLN
Česká republika
Měna e-shopu:
Zvolte zemi doručení:

KALKULÁTOR VÝKONU PRO ZVOLENÝ PROSTOR

Obestavěný prostor
m3
nebo
Plocha místnosti
m2
Výška stropu
m


Potřebný výkon pro kalkulovanou místnost:
0 kW

PODROBNÝ FILTR - KRBY, KRBOVÉ VLOŽKY

 
 
 
 

VÝKON DO VODY

VÝKON DO VZDUCHU

OTVÍRÁNÍ DVÍŘEK

 
 

PROSKLENÍ

 
 
 
 
 
 
 

MATERIÁL

 
 
 

PRŮMĚR KOUŘOVODU

 
 
 
 
 
 
 
 

DALŠÍ POŽADAVKY

 

ROZMĚRY

šířka
výška
hloubka

CENA

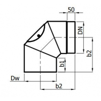
Karl koleno pevné s čistícím otvorem 90°/ 180mm (síla 2mm) - nerez

Technický nákres  
Výrobce: Karl
Kat. číslo: K400414
Dostupnost:
SKLADEM
Cena:
1 049 PLN
vč. DPH 21%


  ks  
Ceny dopravy:
Doprava na adresu - FOFR:  34,99 PLN   /   délka rozvozu 1-4 pracovní dny

Naposledy prohlížené